找回密码
 立即注册
搜索
热搜: 旅游 户外 地图
查看: 15390|回复: 11

请版主发一份成都市的卫星图

[复制链接]

0

主题

2

回帖

2

积分

驴驹

积分
2
发表于 2005-3-8 14:25:00 | 显示全部楼层

请版主发一份成都市的卫星图

我是路盲啊,一直不认识路,很痛苦的。恳请版主发一份成都市的卫星图,我很想看看我生活的这个城市是什么样子的。当然越清晰越好了!谢谢啦。
回复

使用道具 举报

53

主题

460

回帖

981

积分

超版

积分
981
发表于 2005-3-9 01:24:00 | 显示全部楼层

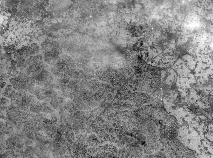
成都市卫星图    -1-
拍摄日期      2003-12-22

图左上角     北纬 / 东经:   30.5884 /  103.9993
图上边中心 北纬 / 东经:   30.5884 /  104.1172
图下边中心 北纬 / 东经:   30.468   /  104.1169
图左下角     北纬 / 东经:   30.468   /  103.9996


回复

使用道具 举报

53

主题

460

回帖

981

积分

超版

积分
981
发表于 2005-3-9 01:34:00 | 显示全部楼层
成都市卫星图    -2-
拍摄日期      2003-12-22

图左上角     北纬 / 东经:   30.5707  /  103.9067
图上边中心 北纬 / 东经:   30.5816  /  104.0405
图下边中心 北纬 / 东经:   30.4877  /  104.0403
图左下角     北纬 / 东经:   30.477  /  103.9069


[此贴子已经被作者于2005-3-9 1:36:01编辑过]

回复

使用道具 举报

53

主题

460

回帖

981

积分

超版

积分
981
发表于 2005-3-9 01:39:00 | 显示全部楼层
成都市卫星图    -3-
拍摄日期      2003-02-04
图左上角     北纬 / 东经:   30.5536/104.176
图上边中心 北纬 / 东经:   30.5607/104.3065
图下边中心 北纬 / 东经:   30.4728/104.307
图左下角     北纬 / 东经:   30.4651/104.1757

[此贴子已经被作者于2005-3-9 1:40:39编辑过]

回复

使用道具 举报

53

主题

460

回帖

981

积分

超版

积分
981
发表于 2005-3-9 03:19:00 | 显示全部楼层
成都市卫星图
回复

使用道具 举报

53

主题

460

回帖

981

积分

超版

积分
981
发表于 2005-3-9 03:24:00 | 显示全部楼层

1
回复

使用道具 举报

53

主题

460

回帖

981

积分

超版

积分
981
发表于 2005-3-9 03:27:00 | 显示全部楼层

2
回复

使用道具 举报

53

主题

460

回帖

981

积分

超版

积分
981
发表于 2005-3-9 03:29:00 | 显示全部楼层

3
回复

使用道具 举报

53

主题

460

回帖

981

积分

超版

积分
981
发表于 2005-3-9 03:32:00 | 显示全部楼层

4
回复

使用道具 举报

53

主题

460

回帖

981

积分

超版

积分
981
发表于 2005-3-9 03:36:00 | 显示全部楼层

5
回复

使用道具 举报

您需要登录后才可以回帖 登录 | 立即注册

本版积分规则

Archiver|手机版|小黑屋|驴窝户外网 ( 京ICP备05059162号 )

GMT+8, 2026-3-19 04:10

Powered by Discuz! X3.5

© 2001-2025 Discuz! Team.

快速回复 返回顶部 返回列表